► Boilers and Burners
Vitodens 222-F, B2TA-35 Gas-Fired Condensing DHW Combi-Boiler (Qty. of 1)► System Accessories
Low-Loss Header Model 80/60 (Qty. of 1)Boiler Data
 |

B2TA Series
|
1.0 Technical Data for B2TA-35
| Natural Gas / Liquid Propane Gas |
| CSA input *A |
19 - 125 |
MBH |
5.5 - 37 |
kW |
| CSA output / DOE heating capacity *1 |
17.4 - 114 |
MBH |
5.1 - 33 |
kW |
| Net AHRI rating *2 |
99 |
MBH |
29 |
kW |
| A.F.U.E. |
93.3 |
% |
|
|
| Heat exchanger surface area |
10.89 |
sq. ft. |
1.01 |
sq. m |
Min. gas supply pressure |
| Natural gas |
4 |
"w.c. |
|
|
| Liquid propane gas |
10 |
"w.c. |
|
|
Max. gas supply pressure *3 |
| Natural gas |
14 |
"w.c. |
|
|
| Liquid propane gas |
14 |
"w.c. |
|
|
|
| Weight |
282 |
lbs |
128 |
kg |
| Boiler water content |
0.87 |
USG |
3.27 |
L |
| Boiler max. flow rate *4 |
6.2 |
GPM |
1400 |
L/h |
| Max. operating pressure at 210°F (99°C) |
45 |
psig |
3 |
bar |
Expansion tank (for heating system side) *5 |
| – Precharge pressure |
12 |
psig |
|
|
| – Capacity |
3.2 |
USG |
12 |
L |
Boiler water temperature |
– Adjustable high limit (AHL) range space heating (steady state) |
68 to 165 |
°F |
20 to 74 |
°C |
| – Fixed high limit (FHL) |
210 |
°F |
99 |
°C |
Boiler connections |
| Boiler heating supply and return |
¾ |
inch NPTM |
| Pressure relief valve |
¾ |
inch NPTF |
| Drain valve |
¾ |
inch Male thread |
Boiler supply/return for indirect-fired DHW storage tank (field supplied) |
¾ |
inch NPT |
| Gas valve connection |
¾ |
inch NPTF |
| Condensate connection (hose nozzle diameter) *6 |
¾ - 1 |
inch |
| Boiler flue gas connection (diameter) *7 |
2⅜ |
inches |
60 |
mm |
| Combustion air supply (coaxial outer diameter) |
4 |
inches |
100 |
mm |
Dimensions |
| Overall depth |
23½ |
inches |
595 |
mm |
| Overall width |
23⅝ |
inches |
600 |
mm |
| Overall height |
64 |
inches |
1625 |
mm |
Flue gas *8 |
| Temperature at boiler return temp. of 86°F (30°C) |
| – At rated full load |
113 |
°F |
45 |
°C |
| – At rated partial load |
95 |
°F |
35 |
°C |
| Temperature at boiler return temp. of 140°F (60°C) |
154 |
°F |
68 |
°C |
Average condensate flow rate with natural gas *9 |
| – At supply/return temp. of 122/86°F (50/30°C) |
4 - 4.5 |
USG/h |
15 - 17 |
L/h |
Sound rating |
| – At maximum input |
51 |
dB |
|
|
| – At minimum input |
36 |
dB |
|
|
DHW storage tank |
| DHW storage tank capacity |
26.5 |
USG |
100 |
L |
Temperature and pressure relief valve (factory installed) |
150 210 |
psig °F |
99 |
°C |
| Max. allowable operating pressure (DHW) |
150 |
psig |
|
|
| Storage tank test pressure |
300 |
psig |
|
|
| Continuous DHW output |
114 |
MBH |
33.4 |
kW |
| Continuous DHW output draw rate *10 |
3.3 |
GPM |
12.3 |
L/min |
| Max. DHW draw rate (over 10 min. period) *10 |
60 |
USG |
227 |
L |
Electrical ratings – main power supply |
| Voltage |
120 |
VAC |
|
|
| Phase |
Single |
phase |
|
|
| Frequency |
60 |
Hz |
|
|
| Current |
12 |
Amps |
|
|
Notes:
| *A |
For high altitude installation at 10,000 ft. (3050 m) the input will have an altitude de-ration of 21%. |
| *1 |
Output based on 140°F (60°C), 120°F (49°C) system supply / return temperature. |
| *2 |
Net AHRI rating based on piping and pick-up allowance of 1.15. |
| *3 |
If the gas supply pressure exceeds the maximum gas supply pressure value, a separate gas pressure regulator must be installed upstream of the heating system. |
| *4 |
See "Waterside Flow" starting on page 8 of the Vitodens 222-F Technical Data Manual. |
| *5 |
Determine the required size of the expansion tank to be installed in the heating system. If the integral expansion tank is insufficient, install a suitably sized expansion tank on site. |
| *6 |
Requires 1 inch (25 mm) tubing. See the Installation Instructions of the Vitodens 222-F, B2TA for details. |
| *7 |
For side wall vent installations (coaxial system): Do not exceed max. equivalent length specified in the Installation Instructions of the Vitodens 222-F, B2TA Venting System. Do not attempt to common-vent Vitodens 222-F, B2TA with any other appliance. Side wall coaxial vent installation must include Viessmann protective screen! For details refer to the Installation Instructions for the Vitodens 222-F, B2TA Venting System. |
| *8 |
Measured flue gas temperature with a combustion air temperature of 68°F (20°C). |
| *9 |
Based on typical boiler cycles, including partial load conditions. |
| *10 |
Based on a temperature rise of 70°F (21°C), 50°F to 120°F (10°C to 49°C). |
1.1 Dimensional Drawings
| Boiler Front, Side and Top Views |
 |
Dimensions
| a |
46.1" |
1172 mm |
| b |
48.3" |
1227 mm |
| c (approx.) |
28" |
710 mm |
| d |
52.6" |
1337 mm |
| f |
57.0" |
1447 mm |
| g |
2.0" |
50 mm |
| h |
61.5" |
1562 mm |
| i |
64.2" |
1630 mm |
| j |
65.6" |
1666 mm |
| k |
65.6" |
1665 mm |
| l |
68.0" |
1726 mm |
| m |
16.1" |
410 mm |
| n |
8.8" |
224 mm |
| o |
15.3" |
389 mm |
| p |
14.2" |
361 mm |
| q |
12.6" |
320 mm |
| r |
13.0" |
330 mm |
| r |
8.7" |
220 mm |
|
Note: All height dimensions of the boiler have a tolerance of +0.6 in. (+15 mm) due to the adjustable feet. |
1.2 Minimum Clearances
| Clearances to Combustibles |
| Top |
0" / 0 mm |
| Front |
0" / 0 mm for alcove or closet installations |
| Rear |
0" / 0 mm |
| Sides |
0" / 0 mm |
| Vent pipe *1 |
0" / 0 mm |
Notes:
*1 Refer to the Installation Instructions of the Vitodens 222-F, B2TA Venting System for details.
The Vitodens 222-F, B2TA boiler has passed the zero inches vent clearance to combustibles testing requirements
dictated by the boiler Harmonized Standard ANSI Z21.13. CSA 4.9.2012 and therefore is listed for zero clearance to combustibles
when vented with a single-wall UL/ULC certified special venting system. The zero inches vent
clearance to combustibles for the Vitodens boiler supercedes the clearance to combustibles listing
that appears on the special venting system label. The back or side clearance shall be increased if
piping installation is required.
| Recommended Minimum Service Clearances |
 |
1.3 Waterside Flow (Primary Circuit)
| Pressure Drop and Flow Rates |

Boiler maximum flow rate: 6.2 GPM (1400 L/h)
|
The Vitodens 222-F, B2TA is designed for closed loop, forced circulation hot water heating systems only.
Use standard friction loss method for pipe sizing. Observe boiler maximum and minimum flow rate limitations.
If system flow rate exceeds boiler maximum flow rate (as stated above), falls below the minimum flow rate
or if system flow rate is unknown, Viessmann strongly recommends the installation of a low-loss header.
An alternative method may be used, such as primary secondary piping using closely spaced tees.
A low-loss header offers additional benefits not provided by a pair of closely spaced tees. Viessmann therefore
strongly recommends and prefers the use of a low-loss header over closely spaced tees.
Once the low-loss header is connected, the built-in low-loss header logic of the Vitodens 222-F boiler
ensures the required Δt across the system through the sensory communication between the low-loss header and the boiler.
System Accessories Data
 |
Low-Loss Header
For hydronic heating systems
|
1.0 Product Description
Steel mixing chamber with supply and return tappings for both boiler and system loop,
used to decouple high flow rate systems from the boiler loop.
Pressure tested to 145 psig / 10 bar.
1.1 Technical Data for Model 80/60
| Connections |
1¼ |
inch NPT |
|
|
| Maximum flow rate |
19.5 |
USG/min |
4.4 |
cubic m/hr |
| Water fill volume |
0.5 |
USG |
2 |
L |
Dimensions (with insulation) |
| Total height |
23 |
inches |
586 |
mm |
| Total width |
10.8 |
inches |
274 |
mm |
| Total depth |
5.3 |
inches |
135 |
mm |
| Shipping weight |
10 |
lbs |
4.5 |
kg |
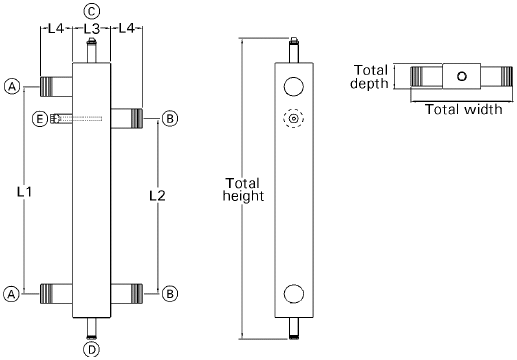
1.2 Dimensional Drawings
| Low-Loss Header Front and Side Views |
 |
Dimensions
| L1 |
14.2" |
360 mm |
| L2 |
11" |
280 mm |
| L3 |
3.2" |
80 mm |
| L4 |
3.8" |
97 mm |
|
Legend
| A |
Boiler supply (top) and boiler return (bottom) |
| B |
System supply (top) and system return (bottom) |
| C |
Air bleed plug |
| D |
Drain plug, ½" |
| E |
Sensor well |
|
|
Technical information subject to change without notice.
Viessmann reserves the right to correct errors in graphics, files, text and technical data.
Some product may not be exactly as illustrated.
Viessmann will not be held liable, financially or otherwise, for product changes, discontinuations or delays.
© 2025 Carrier. All rights reserved.
Carrier is a trademark of the Carrier Corporation, and is registered with the U.S. Patent and Trademark Office.
Viessmann is a trademark of Viessmann Group GmbH & Co. KG, and is registered with the U.S. Patent and Trademark Office.
For further copyright, trademark and disclaimer information, please visit:
www.viessmann.ca/en/copyright.html